





一、产品概述
本款高分辨率偏转器采用二氧化碲(TeO₂)剪切模式运行,因此具备大扫描角、高分辨率特性,且最大孔径可达7.5mm。搭配适配的射频(RF)驱动器后,这些声光偏转器(AOD)能实现高精度与高准确度,可满足光学镊子、生物医学诊断等多数应用场景的需求。产品提供单轴(1-axis)和双轴(2-axis)两种配置可选。
二、产品特点
• 低射频功率
• 高衍射效率
• 高分辨率
• 多线调谐运行
三、技术规格(温度T=25°C)

*注:工作波长需单独指定。
四、单轴与双轴版本产品示例

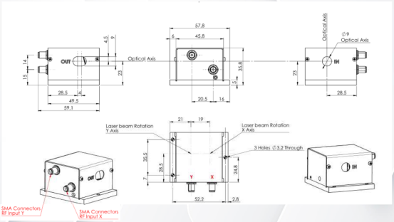
五、外形图
双轴紧凑型外壳,IN PRO 180规格,单位:mm

如有意向购买产品或者相关技术咨询,请联系我们