产品中心

产品详情

氧气检测专用760nm VCSEL窄线宽激光管,可提供带TEC和不带TEC两款封装形式,其输出中心波长760.8nm稳定波长,广泛应用于工程化检测设备中。


参数

参数

单位

最小值

最大值

储存温度

°C

-40

80

操作温度

°C

-5

50

激光管正向电流

mA


1

激光管反向电压

V


2

TEC工作电压

V


1.5

TEC交流电阻

Ω


1.4

TEC工作电流

A


0.9


参数

条件

单位

阈值电流

25°C

mA

0.3

输出波长

1mA&25°C

nm

760.8±1

输出功率

1mA&25°C

mW

0.5±0.2

热敏电阻

25°C

10±0.1

热敏电阻B常数

25°C


3950

温度调谐系数


nm/°C

0.06

电流调谐系数


nm/mA

0.6

边模抑制比


dB

>25



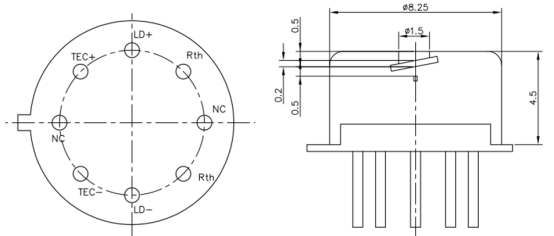
TO5带TEC封装:


TO46 不带 TEC封装:


选型型号:

型号

封装

是否带TEC

LTM-760-TO5

TO5

LTM-760-TO46

TO46

不带


询价留言

如有意向购买产品或者相关技术咨询,请联系我们

姓名*

电话*

公司名称*

请输入您感兴趣的产品或研究方向*