

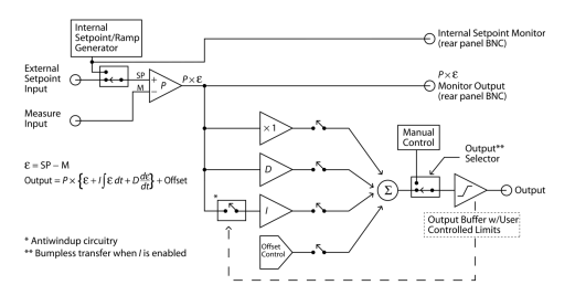
Control type | Analog, PID + Offset |
Input range | ±10 V Common Mode, ±1 V Differential |
Proportional gain | 10-1 to 103 |
Integral gain | 10-1 s-1 to 105 s-1 (effective time constant 10-5 s to 10 s) |
Derivative gain | 10-7 s to 1 s |
Offset | ±10 V, 1 mV resolution |
Bandwidth | 100 kHz |
Propagation delay | 1 µs (typ.) |
Noise (typ) | 8 nV/√Hz above 10 Hz (ref. to input) |
Parameter control | Digital |
Parameter accuracy | 1 % |
Stability | 200 ppm/°C |
Setpoint |
|
External | Front BNC input |
Internal | ±10 V range with 1 mV resolution |
Internal setpoint noise | ±20 nV/√Hz above 100 Hz |
Ramp | Internal setpoint linear ramping from 10-3 to 104 V/s |
Amplifier output | ±10 V with adjustable upper/lower limits |
Display resolution | 4 digits |
Units | s-1, s, V, V/s |
Operating temperature | 0 °C to 40 °C (non-condensing) |
Interface | Serial via SIM interface |
Connectors | BNC (3 front, 2 rear) DB15 (male) SIM interface |
Power | Power supplied by the SIM900 Mainframe, or optionally by a user-supplied DC power supply (±15 V and +5 V) |
Dimensions | 3.0" × 3.6" × 7.0" (WHL) |
Weight | 2.1 lbs. |
Warranty | One year parts and labor on defects in materials and workmanship |
瑞士苏黎世仪器公司提供 PID 控制器,作为锁相放大器、阻抗分析仪和 Boxcar 平均器的专用升级选件。因此,PID 的输入可以有多种不同的选择,包括解调信号的振幅、相位、正交和同相分量、Boxcar 的输出以及辅助输入和输出。PID 集成的数字信号处理,保证了最佳的信噪比、最小化的反馈回路延迟以及非常稳定的闭环操作。即使信号非常微小,PID 也可在噪声强烈、杂散信号丰富的背景中精准定位,并用作可靠的输入。随后,反馈信号可作为模拟输出,也可直接应用于内部频率发生器输出,用于控制其振幅、频率、偏移量和相位。
Web UI
Lock in + PID + Oscilloscope该应用程序有两个PID滤波器,旨在将其参数设置在不同数量级的范围内。此外,PID与辅助加法器和多路复用器相结合,使系统适用于扫描和闭环控制方案

SRS为研究和工业设计、制造和支持一系列出色的测试仪器。自20世纪80年代初以来,SRS已向世界各地的科学家和工程师交付了数十万台仪器。
暂无
如有意向购买产品或者相关技术咨询,请联系我们